Feuerwehrpläne
Feuerwehrpläne DIN gerecht erstellen (lt. DIN 14095, DIN 14034-6, Format: DIN A3)
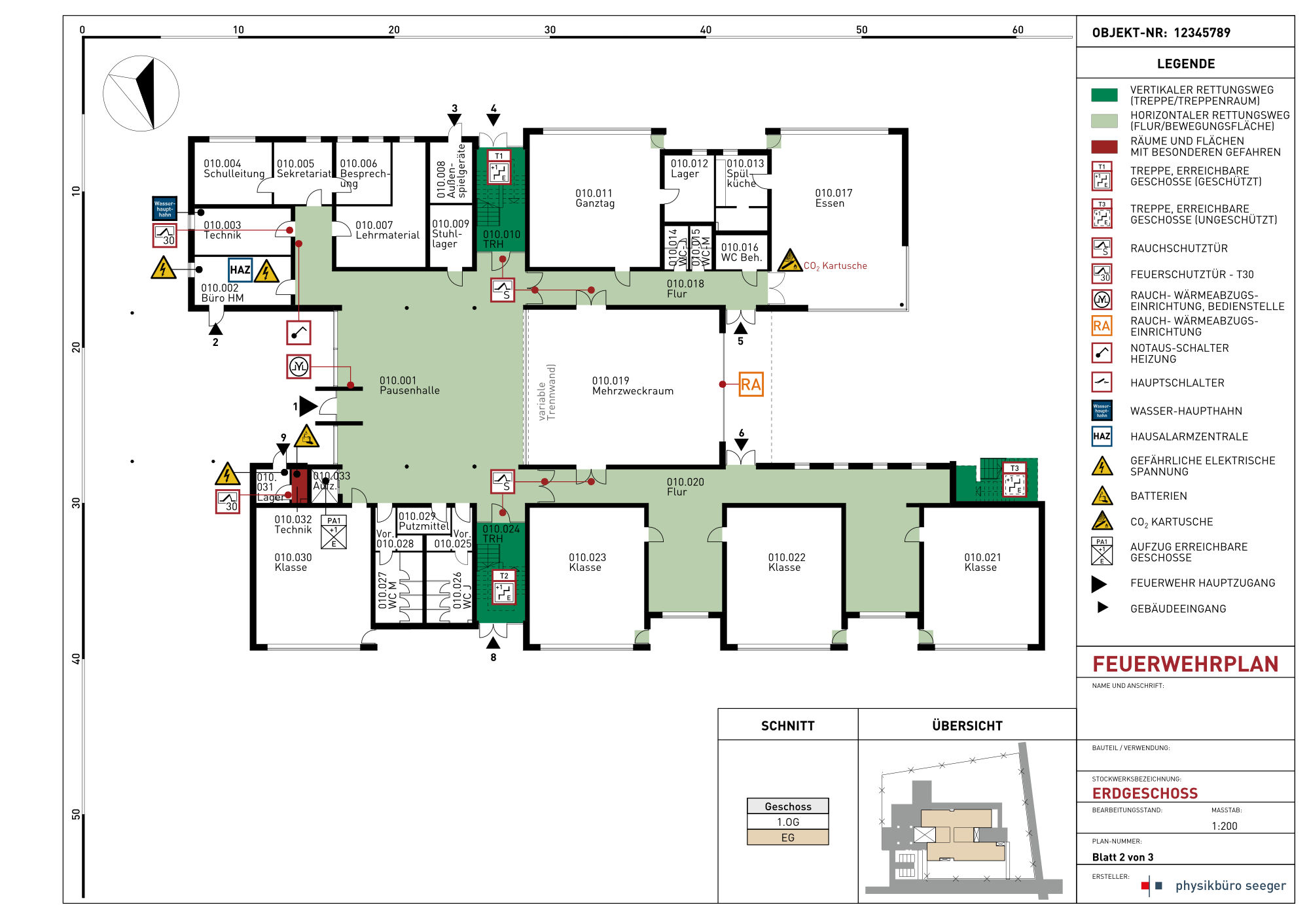
Feuerwehrpläne müssen genaue Angaben über Besonderheiten und Risiken auf dem Gelände und im Gebäude enthalten und stets aktuell gehalten werden (Prüfturnus 2 Jahre).
Sie dienen der besseren Orientierung in einem Objekt.
Solche Feuerwehrpläne dürfen lt. DIN nur von Personen erstellt/geprüft werden, die aufgrund ihrer fachlichen Ausbildung, Kenntnisse und Erfahrungen und Tätigkeiten, die möglichen Gefahren erkennen und beurteilen können.
Bei uns wird die notwenige Begehung vor Ort ausschließlich durch einen erfahrenen "Fachplaner Brandschutz" (EIPOS, IngKH), dessen Qualifikation deutlich über der einer Sachkundigen Person liegt, durchgeführt. Unsere Feuerwehrpläne zeichnen sich zusätzlich durch eine klare Gestaltung aus. Dies und die enge Absprache mit dem jeweils zuständigen Brandschutzamt garantiert die Qualität unserer Pläne.
Ein Feuerwehreinsatzplan ist ein umfassender Plan für Maßnahmen, wie bei einem gefährdeten Objekt vorzugehen ist. Oftmals wird er falsch mit einem Feuerwehrplan gleichgesetzt, der aber lediglich einen Bestandteil des Einsatzplanes ausmacht.
Erstellung von Feuerwehrplänen
Wir erstellen Feuerwehrpläne nach DIN und übernehmen folgende Leistungen für Sie:
- Begehung des Gebäudes
- Erstellung der Feuerwehrpläne
- Abstimmung der Pläne mit den zuständigen Behörden bis zur Abnahme
- Bereitstellung der Feuerwehrpläne als Datei (PDF)
- Druck und Laminierung (spritzwassergeschützt) der Feuerwehrpläne
Feuerwehrpläne werden von der Feuerwehr bzw. dem zuständigen Brandschutzamt gefordert.
Sie bestehen aus: Objektbeschreibung | Lageplan | Geschossplänen | Legende und enthalten alle notwendigen Angaben, die eine rasche Orientierung und das Einleitung von Brandbekämpfungs- bzw. Rettungsmaßnahmen - seitens der Feuerwehr - am und im Objekt gewährleisten.
Die von uns erstellten Feuerwehrpläne werden als Dokument (in spritzwassergeschützter Form) bei der örtlichen Feuerwehr und ggf. der Brandmeldezentrale hinterlegt.
Dazu erhalten Sie als Kunde ebenfalls einen Feuerwehrplan als PDF-Datei.
Erstellen von DIN-gerechten Feuerwehrplänen
Nach Einsicht der Grundrisspläne oder einer Objektbegehung erstellen wir Ihnen gerne ein Festpreisangebot.
Vorbeugender Brandschutz
Feuerwehrpläne sind Teil des vorbeugenden Brandschutzes. Mithilfe von Notfallplänen wie einem Feuerwehrplan, Feuerwehrlaufkarten und Rettungsplänen wird festgelegt, wie eine Rettung im Notfall organisiert wird.
Die Pläne werden direkt in den Leistellen / Feuerwehrwachen hinterlegt und sind bei einem Einsatz sofort verfügbar.
Digitalisierung von Gebäudeplänen
Falls von dem Objekt keine digitalen Baupläne vorliegen übernehmen wir die Digitalisierung der vorhandenen Unterlagen. Sie erhalten neben dem Feuerwehrplan Geschoßpläne in CAD-Formaten und auf Wunsch als PDF Datei zur weiteren Verwendung.
Weitere Leistungen
Neben Feuerwehrplänen erstellen wir für Sie:
- Fluchtpläne (Flucht- und Rettungspläne)
- Feuerwehrlaufkarten / Linienpläne
- Zimmerfluchtpläne
- Brandschutzkonzepte für Ihr Objekt.

